Применяется в качестве управляющего элемента для нагрузки под переменным напряжением до 600В мощностью до 3.5 кВт (при мощности свыше 500 Вт рекомендуется устанавливать на радиатор).
Например легко управлять подачей напряжения 5-12В через токоограничительный резистор. 
Частный вариант использования - при появлении напряжения на USB - S216S02 включит всю переферию компьютера - модем, принтер, сканер и т.д.
Основные параметры
Каналов, шт: 1 
VB, В: 600 
VOUT (макс.), В: 240 
ILOAD (макс.), А: 16 
Тип выхода: AC, Zero Cross
Каналы: SPST-NO (1 Form A)
Серия: S216
Lead Free Status / RoHS Status Contains lead / RoHS non-compliant
Напряжение входное: 1.2VDC
Напряжение нагрузки, В: 0 ~ 240 
Тип монтажа: Выводной
Корпус: 4-SIP
TA, °C: от -20 до 80 
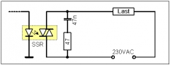
На картинках приведен принцип работы аналогичных твердотельных реле.



