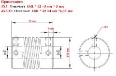
Гибкая соединительная муфта D19L25 4x10, размер 4*8*25мм, алюминий, диаметр 19мм, на вал 4мм / 10мм.
Описание:
Гибкая соединительная муфта из алюминиевого сплава предназначена для передачи вращающего момента между валами электродвигателей, редукторов и исполнительных механизмов. Компенсирует незначительные осевые, радиальные и угловые смещения валов, защищая оборудование от перегрузок и вибраций. Конструкция с винтовым пазом обеспечивает надежное закрепление на валах диаметром 4 мм и 10 мм без люфта. Легкая и коррозионностойкая алюминиевая муфта идеально подходит для применения в шаговых приводах, 3D-принтерах, ЧПУ станках, робототехнике и другом прецизионном оборудовании.
Характеристики:
-
Размеры: 25 мм длина, 19 мм наружный диаметр.
-
Посадочные диаметры: 4 мм и 10 мм (под вал).
-
Рабочая температура: от -30°C до +80°C.
-
Материал: Алюминиевый сплав .
-
Тип: Гибкая разрезная (с пазом).
-
Объем, л: не применимо.
-
Длина, см: 2.5 см (25 мм).
-
Применение: 3D принтеры, ЧПУ станки, шаговые двигатели, робототехника.
По предварительному заказу возможны поставки муфт следующих типоразмеров:



